Infos
- Dieser Batterietrennschalter ist entworfen worden, um den Batterieverbrauch zu minimieren, die Sicherheit des Wartungspersonals sicherzustellen und in Verbindung mit einem Vorhängeschloss, dem Fahrzeugdiebstahl vorzubeugen.
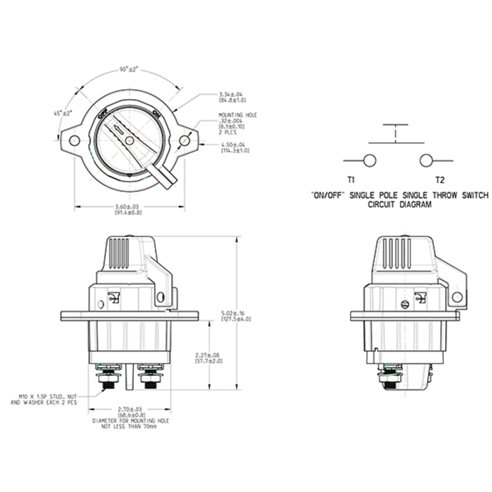
- Batterie-Trennschalter
- Einbaumodell
- Lochabstand: 91.4 mm, Ø M8
- Einbauöffnung: Ø 68.6 mm, Einbautiefe 60 mm
- Gesamthöhe: 128 mm
- Kabelanschluss: M10
- Nennleistung: 12 V DC/ 24 V DC: 100 A, max. 250 A
- Betriebstemperatur: -40 ºC bis +85 ºC
- Schutzart: Wasser- und staubdicht nach IP 67
- Beständig gegen Chemikalien wie Benzin, Diesel, Öl, Bremsflüssigkeit und Ammoniak.
- Der Trennschalter wird ohne Vorhängeschloss geliefert.
Technische Daten
| Name | Wert | 
|---|---|
| % SALE % | Nein | 
| Ampere | 100 - 250 | 
| Einbauöffnung (mm) | Ø 68.6 | 
| Gewinde | M10 | 
| Höhe (mm) | 128 | 
| Lochabstand (mm) | 91.4 | 
| Marke | CARLING | 
| Schutzgrad | IP 67 | 
| Temperaturbereich (°C) | -40 ºC à +85 ºC | 
| Typ | BDA10-RA | 
| Volt | 12/24 | 




