Infos
- mit 6 mm Aufspanndorn
- besonders langlebige Industriequalität
- zur Verwendung mit Bohrmaschinen
- zur Oberflächenbearbeitung
- gewellter Stahldraht
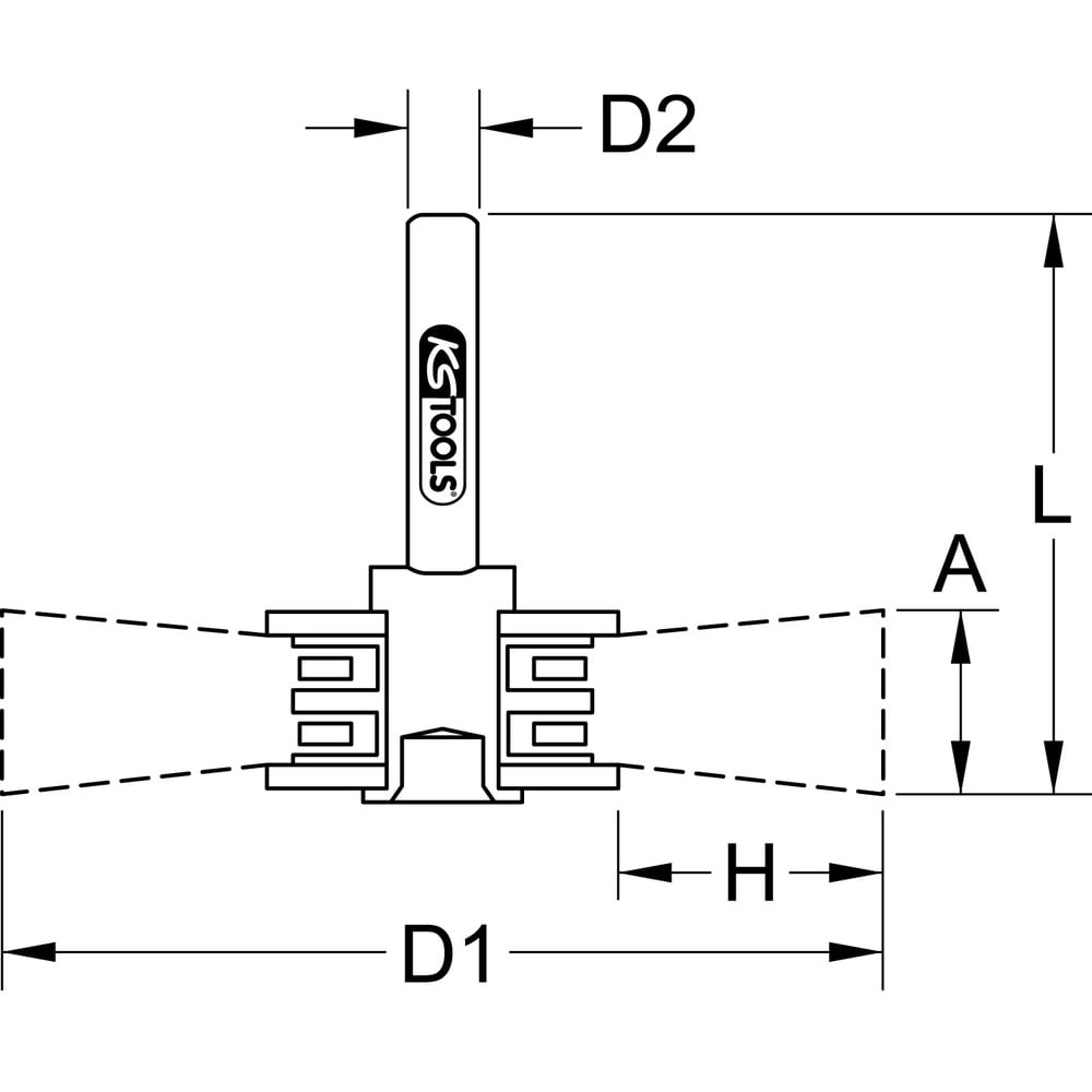
Technische Daten
| Name | Wert |
|---|---|
| % SALE % | Nein |
| Aufspanndorn D2 | 6 mm |
| Besatzbreite A | 14 mm |
| Besatzhöhe H | 12 mm |
| Drahtstärke | 0.3 mm |
| Durchmesser D1 | 50.0 mm |
| Gesamtlänge L in mm | 45.0 mm |
| Gewicht [g] | 40 g |
| Herstellernummer | 340.0029 |
| Marke | KS TOOLS |
| Material1 | Stahldraht 0,30 |
| UPM max. | 15000 |
| Variantenartikel | 340.0028 |


_sall_aqu_v1.jpg?_a=DATAg1fkZAA0)
