Infos
- gezopfte Ausführung
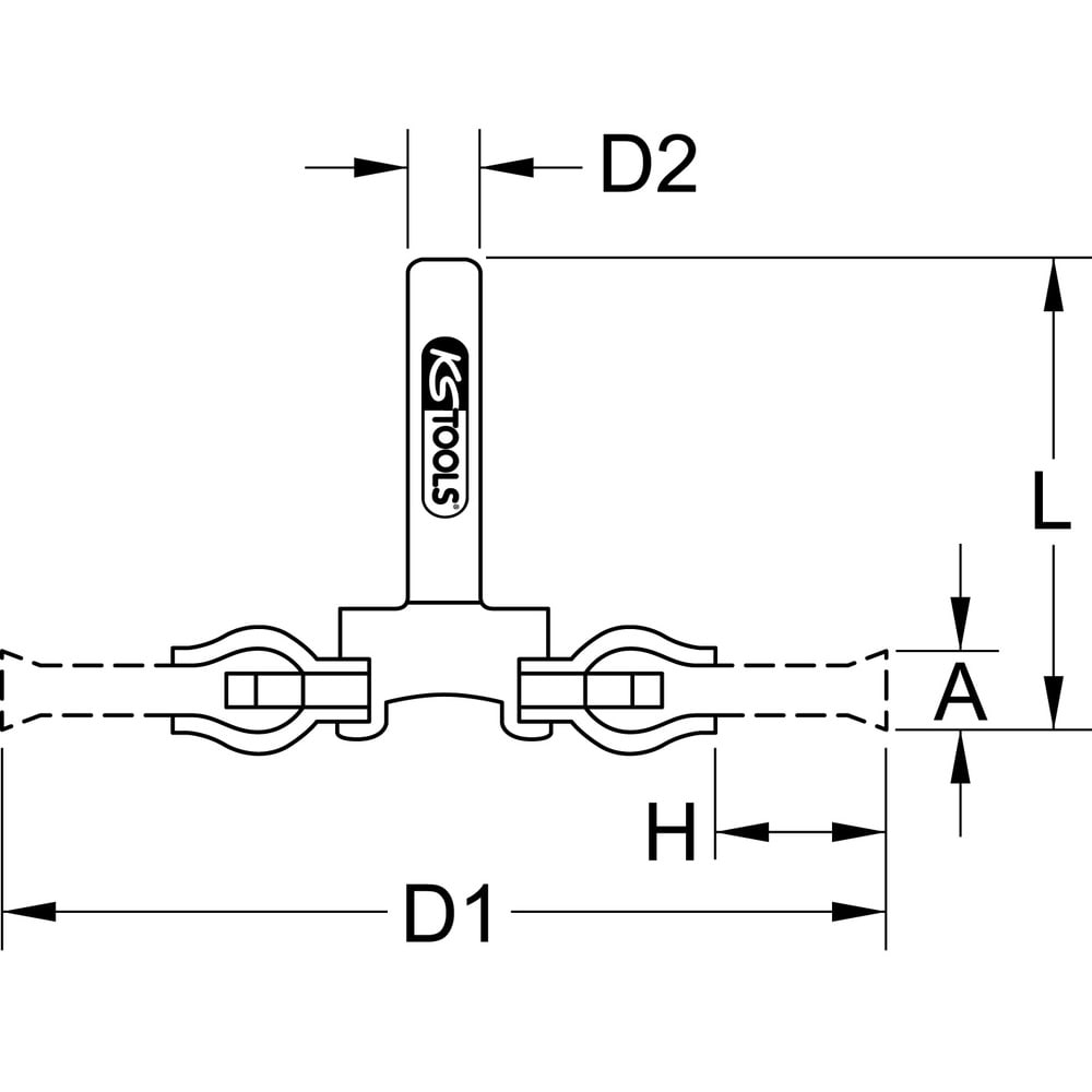
- mit 6 mm Aufspanndorn
- besonders langlebige Industrieversion
- zur Verwendung in Bohrmaschinen
- zum Entfernen von Unterbodenschutz
- zur Oberflächenbearbeitung
- glatter Stahldraht
Technische Daten
| Name | Wert |
|---|---|
| % SALE % | Nein |
| Anzahl Zöpfe | 14 |
| Aufspanndorn D2 | 6 mm |
| Besatzbreite A | 12 mm |
| Besatzhöhe H | 15 mm |
| Drahtstärke | 0.3 mm |
| Durchmesser D1 | 75.0 mm |
| Form | gezopft |
| Gesamtlänge L in mm | 43.0 mm |
| Gewicht [g] | 100 g |
| Herstellernummer | 340.0038 |
| Marke | KS TOOLS |
| Material1 | Stahldraht 0,30 |
| UPM max. | 15000 |
_sall_aing_v1.jpg?_a=DATAg1fkZAA0)
.2_sall_aing_v1.jpg?_a=DATAg1fkZAA0)

