
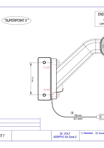
Aspöck Schlussleuchte Europoint II
Kurzinfos
Mit 9 Funktionen, mit Seitenmarkierungsleuchte orange.
Wie bei eigentlich allen Heckleuchten mit einem Umrissarm, ausser Europoint II auch ohne URA, bei Aspöck gibt es eine Kreuzschaltung. Kreuzschaltung heisst: Bei einer linken Heckleuchte ist das Standlicht links der Heckleuchte auf dem elektrischen linken Standlicht angeschlossen und der Umrissarm auf dem elektrischen rechten Standlicht. Das heisst fällt eine Leitung (linkes Standlicht Kurzschluss) aus, da leuchtet noch der Umrissarm auch der elektrischen Leitung rechts. Das Fahrzeug sollte nie ganz unbeleuchtet sein!! Auf der anderen Fahrzeugseite genau umgekehrt.
Zentralstecker 7-polig, ASS2
Bestückung:
- 24 V
- 5 x 21W BA 15s 13498
- 2 x 10W BA 15s 13814
- 2 x 5W BA 15s 1382
Steckervarianten & Montageanleitung
![]() | ![]() |
BLL = Blinker
BRL = Bremslicht
KZL = Kennzeichenleuchte
NSL = Nebelschlusslicht
RFS = Rückfahrscheinwerfer
RUL = Rücklicht
RS = Rückstrahler
SML = Seitenmarkierungsleuchte
STL = Standlicht
URA = Umrissarm
URL = Umriss-/Begrenzungsleuchte
LCG = LED Control Gerät
Artikel
Info
Mit 9 Funktionen, mit Seitenmarkierungsleuchte orange.
Wie bei eigentlich allen Heckleuchten mit einem Umrissarm, ausser Europoint II auch ohne URA, bei Aspöck gibt es eine Kreuzschaltung. Kreuzschaltung heisst: Bei einer linken Heckleuchte ist das Standlicht links der Heckleuchte auf dem elektrischen linken Standlicht angeschlossen und der Umrissarm auf dem elektrischen rechten Standlicht. Das heisst fällt eine Leitung (linkes Standlicht Kurzschluss) aus, da leuchtet noch der Umrissarm auch der elektrischen Leitung rechts. Das Fahrzeug sollte nie ganz unbeleuchtet sein!! Auf der anderen Fahrzeugseite genau umgekehrt.
Zentralstecker 7-polig, ASS2
Bestückung:
- 24 V
- 5 x 21W BA 15s 13498
- 2 x 10W BA 15s 13814
- 2 x 5W BA 15s 1382
Steckervarianten & Montageanleitung
![]() | ![]() |
BLL = Blinker
BRL = Bremslicht
KZL = Kennzeichenleuchte
NSL = Nebelschlusslicht
RFS = Rückfahrscheinwerfer
RUL = Rücklicht
RS = Rückstrahler
SML = Seitenmarkierungsleuchte
STL = Standlicht
URA = Umrissarm
URL = Umriss-/Begrenzungsleuchte
LCG = LED Control Gerät
Spezifikationen
- % SALE % Nein
- Breite (mm) 426
- Höhe (mm) 154
- LED Control Gerät ohne
- Marke ASPÖCK
- Rückstrahler Dreieck
- Tiefe (mm) 85
- Umrissarm ohne
















